
BM6摆线液压马达是一种端面配流式摆线液压马达,具有压力补偿功能,该马达输出扭矩大并能承受较高的径向载荷广泛应用于工程机械、农业机械、石油机械、起重运输机械等行业。
一、BM6摆线液压马达的特点
●双轴承支撑结构,可承爱较大的径向力
●法兰与壳体一体化,能够承受频繁的换向冲击
●采用镶齿定转子副,运转平稳,工作寿命长
●具有较高的工作压力
●启动压力低,换向方便
●在液压系统中可串联或并联使用
●可靠的密封控制手段,能够承受较高的压力,确保马达无泄露
二、主要性能参数

说明:
● 应避免同时在较大转速和较大压力下使用马达
● 表中所列扭矩值适用于直径32mm和1.75"的输出轴,1.5"的输出轴允许的较大连续扭矩和间断扭矩为1325NmC和1650Nm
● 超过允许背压时,应接外泄管,并保证马达内总能充满液压油
● 较大入口压力31MPa,但工作压力差应符合上表要求
● 马达间断工作持续时间不超过6秒;峰值工作持续时间不超过0.6秒
● 系统较高工作油温80℃
● 推荐用油:抗磨液压油,粘度37~73cst,油液清洁度ISO18/13
● 在马达全负荷工作前,必须在30%的额定压力下磨合1小时以上
● 可靠的动密封控制手段,马达允许的较大背压可达7Mpa,为获得良好的寿命及综合性能,建议不超过3.5Mpa,超过时需接外泄油管,接外泄管时,应确保马达内总能充满油。外泄油管路应有一定的节流保持0.35Mpa以上的背压。接外泄油管除可以保持较低的背压外,还可以使马达内产生的磨损污染带走,并可产生一定的冷却作用。
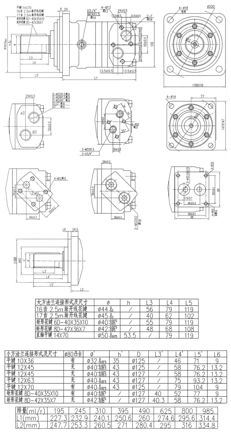
三、产品订货信息
订货参见尺寸及外形图,根据所选用的马达的具体型式从下表中选择对应编号,如需特殊连接方式,请与力沃公司联系。

四、BM6摆线液压马达外形连接尺寸
